Профиль LINIA45-FANTOM-3000 ANOD (Arlight, Алюминий) 059471 в Орле
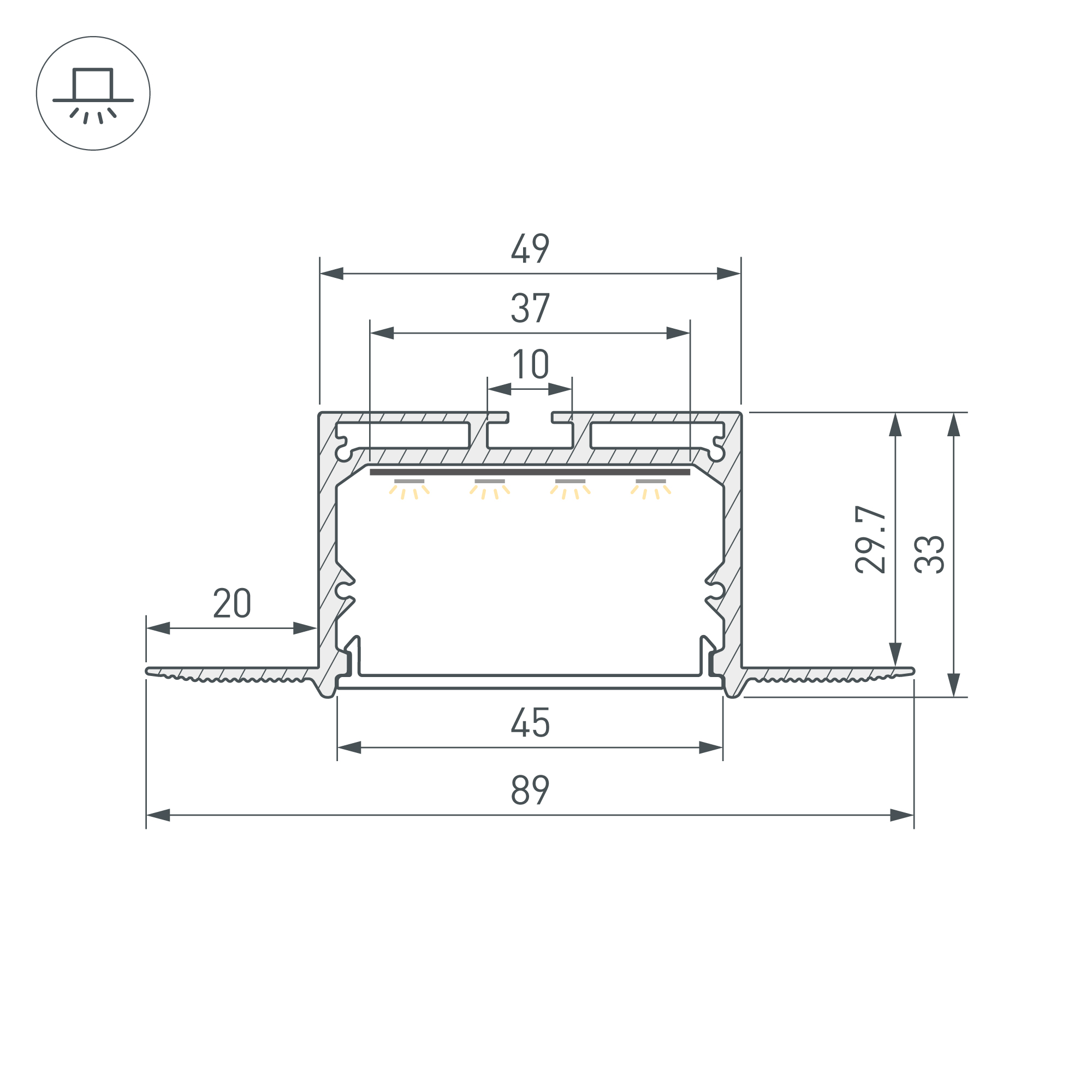
Встраиваемый профиль со скрытым фланцем из анодированного алюминия для создания линий света на потолке и стенах из ГКЛ. Габаритные размеры профиля составляют 3000 мм в длину, 89 мм в ширину и 33 мм в высоту, паз для установки 49 мм. Площадка для установки светодиодных лент позволяет использовать ленту шириной до 37 мм и мощностью до 53,6 Вт/м. Это обеспечивает гибкость в выборе светодиодных лент и создает потрясающие световые решения. Экраны, заглушки и другие аксессуары не включены в комплект и приобретаются отдельно. Цена указана за 1 метр профиля. Отличное решение для создания современных световых проектов.
Алюминиевый анодированный профиль для светодиодных лент и линеек. Габаритные размеры (L×W×H): 3000x89x33 мм, паз для установки 49 мм. Ширина площадки для ленты 37 мм. Экраны, заглушки и другие аксессуары приобретаются отдельно. Цена за 1 метр.
059471 Arlight Профиль Встраиваемый со скрытым фланцем С фланцем Серебристый в Орле
Вы можете заказать Профиль Arlight с доставкой или самовывозом в Орле
просто достаточно позвонить менеджеру и сообщить артикул товара: 059471 или оформить заказ на сайте Arlight Shop Орел
Характеристики
|
Объем м3
|
0.008811 |
|
Гарантия м.
|
36 |
|
Материал корпуса
|
Алюминий |
|
Способ монтажа
|
Встраиваемый со скрытым фланцем |
|
Назначение
|
Для прямоугольных светильников |
|
Форма (сечение)
|
С фланцем |
|
Цвет покрытия
|
Серебристый |
|
Тип товара
|
Профиль |
|
Гарантийный срок
|
3 год(а) |
|
Модельный ряд
|
SL-LINIA |
|
КПД профиля (cветовой)
|
85 % |
|
Рассеиваемая тепловая мощность на 1м
|
max: 53.6 W |
|
Ширина световой линии
|
45 мм |
|
Внешний вид поверхности
|
Матовая |
|
Покрытие поверхности
|
Анодирование |
|
Длина
|
3000 мм |
|
Ширина
|
89 мм |
|
Высота
|
33 мм |
|
Ширина площадки
|
37 мм |
|
Глубина установки источника света
|
24.5 мм |
|
Кратность цены за 1 м/шт
|
1 |
|
Мощность (прайс)
|
53.6 Вт |







